جهد اللاحمل
جهد اللاحمل أو جهد الدائرة المفتوحة VOC هو فرق الجهد بين طرفين الجهاز عندما تكون الدائرة مفتوحة.[1]
أي لا يوجد حمل كهربي. وبالتالي فلا يمر تيار في الدائرة.
وفي تحليل الشبكات يطلق على هذا الجهد جده ثيفينين.

جهد اللاحمل

أكبر جهد لا حمل يمكن تطبيقه على خليه شمسية كداله في فجوة النطاق
وغالبا ما يعطي جهد اللاحمل للبطاريات، والخلايا الشمسية تحت ظروف معينة مثل درجة الحرارة.
التطبيق
يجب معرفة جهد اللاحمل لكل عنصر. لأن العناصر التي لها جهد لا حمل صغير تتحلل أسرع من العناصر التي لها جهد لا حمل كبير.
الحسابات
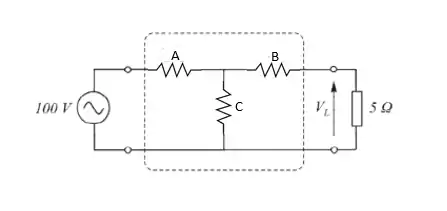
لحساب جهد اللاحمل على الدائرة التالية

Given Circuit
إذا اردنا حساب جهد اللاحمل على المقاومة 5 أوم. نقوم أولا بفصلها من الدائرة:

Modified Circuit
- حساب قيمة المقاومة المكافئة في الحلقة (1).
- حساب التيار المار في الحلقة.
- باستخدام قانون أوم، نجد الجهد على المقاومة C.
- إهمال المقاومة B، لأنها لا تؤثر على قيمة جهد اللاحمل. لعدم مرور تيار بها.
- وبذلك يكون جهد النقطة C هو VL.
ويوجد هنا المزيد من الأمثلة.[2]
انظر أيضا
مصادر
- Please note the change of address! نسخة محفوظة 03 مايو 2017 على موقع واي باك مشين.
- https://web.archive.org/web/20160310203547/https://www.youtube.com/watch?v=LN7RoJ6GC9k, مؤرشف من الأصل في 10 مارس 2016, اطلع عليه بتاريخ 18 نوفمبر 2015 الوسيط
|CitationClass=تم تجاهله (مساعدة); الوسيط|separator=تم تجاهله (مساعدة); مفقود أو فارغ|title=(مساعدة)CS1 maint: ref=harv (link)
- بوابة طاقة
This article is issued from Wikipedia. The text is licensed under Creative Commons - Attribution - Sharealike. Additional terms may apply for the media files.