سطح غاوسي
السطح الغاوسي هو سطح مغلق في فراغ ذو بعد ثلاثي والذي يحسب من خلاله تدفق للحقل الشعاعي؛ إما هذا الحقل أن يكون حقل حقل جاذبية أو حقل كهربائي أو حقل مغناطيسي.[1] وهو سطح مغلق ويستخدم فيه معادلة (S = ∂VV) مع قانون غاوس للحقل الملائم (قانون غاوس الجاذبي أو قانون غاوس الكهربائي أو قانون جاوس المغناطيسي) عن طريق التكامل السطحي وذلك لحساب العدد الكلي لكمية المصدر المتضمنة، كمثال، كمية الكتلة إذا كان المصدر هو حقل جاذبي أو كمية الشحنة الكهربائية إذا كان المصدر حقل كهربائي.
| جزء من سلسلة مقالات حول |
| الكهرومغناطيسية |
|---|
كهرباء · مغناطيسية |
|
كهرباء ساكنة |
|
الكهرومغناطيسية التقليدية
|
|
دائرة كهربائية |
| بوابة كهرومغناطيسية |

لتوضيح الأمور، سنعتبر الحقل الكهربائي في هذه المقالة، هو الحقل الأكثر شيوعاً لتطبيق مبدأ السطح.
الأسطح الغاوسية تختار بدقة لإستغلال التناظر في حالة معينة لتبسيط حسابات التكامل السطحي. إذا تم اختيار سطح غاوسي بأن لكل نقطة على سطح تكون محصلتها(المكونة من حقل الكهربائي وناظم السطح) ثابتة، فإن الحساب لا يتطلب تكامل صعب، وذلك لأن الثوابت التي تحقق في المحصلات يمكن أن تشطب من التكامل.
الأسطح الغاوسية الشائعة
عند أداء تفاضل لسطح مغلق، فإن السطح الغاوسي لا يتضمنن بالضرورة كل الشحنة الكهربائية. وإضافةً على ذلك، ليس بالضرورة أن نختار سطح غاوسي الذي يستخدم التناظر في حالة معينة (كما في الأمثلة بالأسفل) ولكن، الحسابات تكون قليلة المشقة بكثير إذا استخدمنا السطح الغاوسي المناسب.
أغلب المعادلات التي تستخدم الأسطح الغاوسية تبدأ بتطبيق قانون غاوس (للكهربائية[2])
حيث (V(Q هي الشحنة الكهربائية المتضمنة داخل V السطح المغلق.
هذا هو قانون غاوس الذي يدمج بين قانون كولوم و مبرهنة التباعد>
السطح الكروي
يستخدم سطح كروي غاوسي عندما يبحث عن الحقل الكهربائي أو تدفق كهربائي المنتج من أياً من الآتي:[3]
- شحنة نقطية
- شحنة على شكل قشرة كروية موزعة بشكل متجانس
- أي توزيع آخر للشحنة ولكن بتناظر كروي
يختار السطح الغاوسي الكروي بحيث تكون متركز حول توزيع الشحنة.

مثال
افرض أن قشرة كروية مشحونة (S) سمكها لا يذكر، ولديها شحنة متجانسة التوزيع (Q) ونصف قطر القشرة الكروية (R). هنا يمكننا استخدام معادلة غاوس لمعرفة مقدار محصلة الحقل الكهربائي (E) أو التدفق الكهربائي (ϕ). وذلك بتخيل سطح غاوسي كروي على مسافة (r) (نصف قطره) من وسط القشرة الكروية المشحونة.

إذا كان r>R أي نصف قطر السطح الغاوسي (r) أكبر من نصف قطر القشرة الكروية (R)، فإن مقدار الحقل المغناطيسي متساوي على جميع النقاط داخل السطح ومتجه للخارج. التدفق الكهربائي يساوي مقدار الحقل المغناطيسي مضروب في مساحة السطح الكروي.
وإستناجأً من قانون غاوس الذي يمكن أن يعرف بأنه الشحنة الكلية Q الموجودة في مساحة مقسمة على سماحية الفراغ ε0. فبذلك يمكن صياغته رياضيا كما يلي:
لحساب التدفق الكهربائي
لحساب مقدار الحقل الكهربائي
إذا كان R>r أي نصف قطر السطح الغاوسي (r) أصغر من نصف قطر القشرة الكروية (R)، اين ان نتخيل السطح الغاوسي الكروي يصبح داخل القشرة الكروية أي ان السطح الغاوسي يضم أقل من قيمة الشحنة الكلية Q.
فلحساب التدفق الكهربائي و مقدار الحقل الإلكتروني
نرى إان
فإن
وحسب الإستنتاج السابق لقانون غاوس
فإن لحساب التدفق الكهربائي
لحساب مقدار الحقل الكهربائي
السطح الإسطواني
يستخدم سطح لإسطواني غاوسي عندما يبحث عن الحقل الكهربائي أو تدفق كهربائي المنتج من أياً من الآتي:[3]
مثال
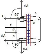
افترض ان نقطة ما تسمى (P) على مسافة (r) من شحنة على شكل خط لانهائي لها كثافة الشحنة (λ). تخيل سطح مغلق على شكل إسطوانة حول الخط الانهائي من الشحنة.

إذا كانت (h) هي طول السطح الإسطواني الغاوسي فإن الشحنة (q) داخل الإسطوانة الغاوسية تساوي
, هناك ثلاثة أسطح وهي a و b و c كما هو موضوح في الصورة. ,تفاضل المتجه المساحي هو dA على كلٌ من سطح a و b و c.
التدفق الكهربائي يتكون من ثلاثة مساهمات
الأسطح a و b متعامدان مع E و dA، ولكن السطح c متوازي مع dA و E كما هو موضح بالصورة.
فإن مساحة سطح الإسطوانة تساوي
فإن
وإستنتجنا سابقاً
وحسب قانون غاوس
وإذا استبدلنا ΦE فإن
انظر أيضا
- مساحة
- تفاضل شعاعي
- تكامل
- قانون غاوس الكهربائي
- قانون غاوس المغناطيسي
مراجع
- Essential Principles of Physics, P.M. Whelan, M.J. Hodgeson, 2nd Edition, 1978, John Murray, ISBN 0-7195-3382-1
- Introduction to electrodynamics By: Griffiths D.J
- Physics for Scientists and Engineers - with Modern Physics (6th Edition), P. A. Tipler, G. Mosca, Freeman, 2008, ISBN 0-7167-8964-7
- بوابة الفيزياء
- بوابة كهرباء
