قنطرة المعاوقة الإلكترونية
تُستخدم قنطرة المعاوقة أو قنطرة (R-L-C) في قياس المقاومة، السعة، المحاثة، معامل التبديد، معامل الجودة.

وهي تتكون من قناطر مصادر الإشارة (DC&1-KHz)، وهي قنطرة هويتستون لقياس المقاومة، قناطر ماكسويل لقياس المحاثة ومعامل الجودة، قنطرة دي سوتي لقياس السعة ومعامل التبديد. إضافة للقناطر فهي تتكون من مكبر غير متزن، ومبين قياس، بالإضافة إلى مصدر قدرة. ويُستخدم لبيان حالة اتزان القنطرة ميكروأميتر حساس ذو صفر في المنتصف (25μA - 0 - 25μA).
كما يمكن الإعداد لتسليط مصادر إشارة خارجية. وتوصيل مبينات خارجية.
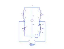
وفي القنطرة الموضح الدائرة التخطيطية لها في الشكل السابق، فإن R3 هي صندوق مقاومة عشري، وتستكمل الأذرع الأُخرى بتوصيل المكونات المجهولة والعيارية، للأطراف (1-2)، و(3-4)، و(5-6)، و(7-8)، و(9-10). ويوصل المبين الصفري للأطراف (11-12). ومصدر القدرة للأطراف (13-14).
ويمكن استخدام هذه القنطرة لقياس مقاومة من 10MΩ إلى 100MΩ، ومحاثة من 1MH إلى 100H، وسعة من 1pF إلى 100mF.
وتُستخدم القنطرة في قياسات التيار المستمر والمتردد. ولقياسات التيار المستمر تُستخدم بطاريات من 1.5 إلى 7.5 فولت. وتوصل بالأطراف (13-14)، ويُستخدم ميكرو أميتر (25-0-25) أو (50-0-50) ويوصل بالأطراف (11-12).
قياس المقاومة

وبترتيب أذرع القنطرة كما بالشكل بصورة صحيحة، نحصل على قنطرة هوبتسون والتي يمكنها قياس المقاومة.
والمقاومات العيارية R2 ، R1 توصل إلى الأطراف 13 - 14، على الترتيب. والمقاومة المجهولة RX توصل إلى الأطراف 9 - 10، كما يوصل سلك سميك يمثل كوبري على الأطراف 5-6، ولقياس التيار المستمر توصل بطارية إلى الأطراف 14 - 13، وميكروأميتر للأطراف 12 - 11.
وبالنسبة لقياس التيار المتردد يوصل مصدر تيار متردد (مذبذب AF يولف على التردد 1KHz) ويوصل على الأطراف 14 - 13، ويوصل مبين صفري (سماعة أذن)(VTVM, CRO, etc) للأطراف 12-11. ويتم عمل اتزان القنطرة لتعطي انحراف صفري في الميكروأميتر وذلك بضبط المفاتيح العشرية، وتُعطى قيمة المقاومة المجهولة بالعلاقة :
قياس المحاثة

توصل المحاثة المجهولة Lx، والمقاومة العيارية R2، والمكثف العياري، ومقاومة متغيرة R3 ، وقنطرة سلك سميك، ومصدر قدرة Ac، ومبين. يوصلوا على الأطراف (1-2، 3-4، 7-8، 9-10، 6-5، 13-14، 11-12) في الشكل، على الترتيب.
ويتم عمل اتزان القنطرة لتعطي انحراف صفري، وذلك بضبط المفاتيح العشرية والمقاومة المتغيرة والتي تساوي (100Ω)، وتُعطى المحاثة المجهولة بالعلاقة :
Henrys
قياس السعة

توصل المقاومة العيارية R1، والمكثف المجهول Cx، والمقاومة المتغيرة R3، ومكثف عياري C، ومصدر قدرة Ac، يوصلوا على الأطراف (1-2، 3-4، 5-6، 9-10، 5-6، 13-14، 11-12) على الترتيب.
ويتم عمل اتنزان القنطرة بضبط المفاتيح العشرية والمقاومة المتغيرة، والسعة المجهولة تُحدد من العلاقة :
حيث أن R3، R1 بالأوم، C بالميكروفاراد.
المواصفات
| Resistance-0.1Ω to MΩ in 8 ranges | Ranges |
| 1PF to 100μF ranges & dissipation factor (0.01 to 10). | Capactance |
| 1MH to 100H in 8 ranges | Inductance |
| 1 to 100 | Quality factor |
| 230V, 50Hz | Supply Voltage |
| 1KHz | Sinewave Generator |
المصادر
- كتاب القياسات الكهربية والإلكترونية (النظرية والتطبيق) - تأليف حمدي السيد - ج 1، ص 95، 96، 97، 98.
انظر أيضاً
- بوابة كهرباء
- بوابة إلكترونيات
- بوابة الفيزياء