متعدد الكبريتيد
متعددات الكبريتيد هي صنف من المركبات الكيميائية الحاوية على سلاسل من ذرات الكبريت. هناك صنفان رئيسيان من متعددات الكبريتيدات: الأيوني (أنيوني سالب الشحنة) والعضوي.

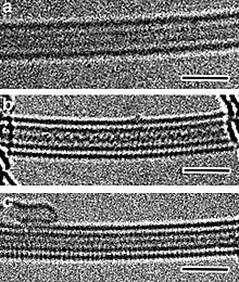
سلسلتان متوازيتان من الكبريت أحادي الذرة داخل أنبوب نانوي كربوني.[1]
لمتعددات الكبريتيدات الأنيونية الصيغة 2-Sn، وهي قواعد مرافقة لمتعددات الكبريتيد الهيدروجينية H2Sn. أما متعددات الكبريتيدات العضوية الصيغة RSnR، حيث R يقابل ألكيل أو أريل.[2]
طالع أيضاً
مراجع
- Fujimori, Toshihiko; Morelos-Gómez, Aarón; Zhu, Zhen; Muramatsu, Hiroyuki; Futamura, Ryusuke; Urita, Koki; Terrones, Mauricio; Hayashi, Takuya; Endo, Morinobu; Young Hong, Sang; Chul Choi, Young; Tománek, David; Kaneko, Katsumi (2013). "Conducting linear chains of sulphur inside carbon nanotubes". Nature Communications. 4: 2162. Bibcode:2013NatCo...4.2162F. doi:10.1038/ncomms3162. PMC 3717502. PMID 23851903. الوسيط
|CitationClass=تم تجاهله (مساعدة) - Steudel, Ralf (2007). "Sulfur: Organic Polysulfanes". Encyclopedia of Inorganic Chemistry. Encyclopedia of Inorganic Chemistry. Weinheim: Wiley-VCH. doi:10.1002/0470862106.ia233.pub2. ISBN 978-0470860786. الوسيط
|CitationClass=تم تجاهله (مساعدة)
متعدد الكبريتيد في المشاريع الشقيقة
صور وملفات صوتية من كومنز
- بوابة الكيمياء
This article is issued from Wikipedia. The text is licensed under Creative Commons - Attribution - Sharealike. Additional terms may apply for the media files.