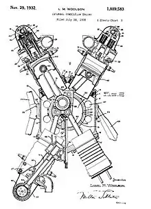
محرك شكل X
محرك شكل X هو محرك متردد يضم محركين شكل V متطابقين متقابلين افقيًا، لذلك يتم وضع الاسطوانات في اربع مجموعات ويشتركان جميعًا في عمود مرفق واحد، وإذا نظرنا اليهم من الأعلي سنجد المحرك يشبه حرف X. كما تعد محركات شكل X محركات مزدوجة وتستخدم في محطات الطاقة.


لكن هذا التعديل أو هذا الشكل من المحركات غير شائع علي الإطلاق لأسباب عدة منها الوزن أو تعقيد في التركيب بالمقارنة بالمحرك الدائري، لكنه يكون اصغر حجمًا من محرك شكل V لنفس عدد الاسطوانات.
لكن كان المهندسون آنذاك مثل هنري فورد يفضلون استخدام اطوال صغيرة لعمود المرفق في محرك شكل X بالنسبة للمحركات الأخرى مثل شكل V أو المحركات ذات ترتيب اسطوانات خطي نظرًا لنقص النمو في التكنولجيا التعدينية في ذلك الوقت.[2]
معظم الأمثلة للمحركات شكل X كانت في حقبة الحرب العالمية الثانية وكان يتم تصميمها خصيصًا للمعدات والعربات والطائرات الحربية، وأغلبها كان من نوع X-24s أي أنه محرك على شكل X يحتوي على 24 اسطوانة (محرك) هذا المحرك قائم بالأساس علي محرك شكل V ذو 12 اسطوانة، وهناك امثلة أخرى لهذا النوع من المحركات مثل :
- محرك فورد X-8 : تم تصنيع نموذج له خلال فترة 1920 وهذا ما قاد شركة فورد لتصنيع محركها الشهير ذو الرأس المسطح V-8 [3][4]
- محرك دايملر بينز 604 : تم تطويره خصيصًا لأجل سلاح الجو الألماني (الرايخ الثالث) لكن التصنيع والتطوير توقف وتم تعليقه.
- محرك ايزونا فرانشيني : تم تصنيعه للاستخدام في طائرات اف6 القتالية لكن لم يتم الانتهاء من تصميمه قبل استسلام إيطاليا عام 1943.
- محرك رولز رويس فولشر : كان يتم تصنيع للطائرات القتالية.
- محرك رولز رويز اكس :هو نموذج لمحرك يتم تبريده بالهواء ليتم استخدامه في الطائرات.
- محرك نابيار كوب : هو محرك شكل X ذو 16 اسطوانة وكان يتم تبريده بالماء تم تنصيعه عام 1920 وكان نموذجًا للاستخدام في الطائرات القتاللية بلاكبيرن كوبارو.
- أعلنت شركة هوندا تجريبها لمحرك شكل X ذو 32 اسطوانة (محرك) في عام 1960 لتجريبه في سباقات فورمولا1 لكن تم ترك التصميم لعد واقعيتها ولكونه معقد للغاية.
- محرك شيليابنسك : كان محرك شكل X ذو 12 اسطوانة.[5]
مراجع
- Patent US1889583 - Internal combustion engine - Google Patents نسخة محفوظة 15 يناير 2018 على موقع واي باك مشين.
- "Henry Ford's Weird Old Engines", Popular Science, صفحات 64–67, August 1960, مؤرشف من الأصل في 28 يناير 2020 الوسيط
|CitationClass=تم تجاهله (مساعدة); الوسيط|separator=تم تجاهله (مساعدة)CS1 maint: ref=harv (link) - Hemmings.com. "Hemmings Auto Blogs » Blog Archive » SIA Flashback - Experimental Ford Engines". Blog.hemmings.com. مؤرشف من الأصل في 5 أكتوبر 2016. اطلع عليه بتاريخ 06 ديسمبر 2011. الوسيط
|CitationClass=تم تجاهله (مساعدة) - "Eli Apolzon and daughter Ruth Family Page * * * Austin, Texas - Henry Ford's X-8 engine and how it will be used to raise dollars for Autistic and other Special Needs children". Lutheransonline.com. 2011-05-10. مؤرشف من الأصل في 4 مارس 2016. اطلع عليه بتاريخ 06 ديسمبر 2011. الوسيط
|CitationClass=تم تجاهله (مساعدة) - https://web.archive.org/web/20190607194437/http://chtz-uraltrac.ru/catalog/items/206.php. مؤرشف من الأصل في 7 يونيو 2019. الوسيط
|CitationClass=تم تجاهله (مساعدة); مفقود أو فارغ|title=(مساعدة)
- بوابة سيارات
- بوابة تقانة