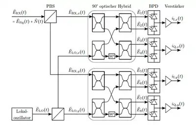
مستقبل ضوئي متناسق
المستقبل الضوئي المتناسق يعمل على تحويل الاشارة الضوئية يستقبلها، إلى إشارة كهربائية و يتكون المستقبل من:

المذبذب
يولد مذبذب ((Local oscillator)) موجة لها نفس التردد للموجة المرسلة، لكي يستطيع مقارنة الازاحة الزاوية مع ازاحة الإشارة المستقبلة.
مقسم الأشعة (PBS)
يقوم مقسم الأشعة بتقسيم الاشعة المستقبلة و شعاع المذبذب إلى جزئين يمكن فصلهما لأن بين كل منهما إزاحة زاوية قدرها 90 درجة.
مهبط ضوئي
يقوم المهبط الضوئي باستقبال الإشارة الضوئية وتحويلها إلى تيار كهربائي حيث ان العلاقة طردية بين الإشارة المستَقبلة و قيمة التيار الكهربائي الناتج.
مقوي الإشارة
يقوم مضخم الإشارات (بالانجليزية: (Transimpedance amplifier(TIA) بتقوية الإشارة المستقبلة لجعلها قابلة للقياس ويعمل على تحويل التيار الكهربائي إلى جهد كهربائي. لأن التيار الكهربائي لا يمكن قياسه على سبيل المثال من خلال راسم إشارة.
بعدها يتم استخدام محول تناظري رقمي لتحويل الإشارة المتصلة إلى رقمية، يتم استخدام معالجة رقمية للإشارة لمعالجة وتصحيح الإشارة.
انظر أيضا
- بوابة الكيمياء
- بوابة كيمياء فيزيائية
- بوابة الفيزياء