منظم الجهد
تنظيم الجهد الكهربائي في الهندسة الإلكترونية، هي عملية تثبيت جهد متغير أو ثابت القيمة ليصبح ثابت على قيمة مطلوبة (بشرط أن يكون الجهد الداخل أكبر من القيمة المطلوبة للتثبيت). في أنظمة تحويل التيار المتردد إلى تيار مستمر تكون مرحلة التنظيم مباشرة بعد مرحلة التنعيم، التي تتم باستخدام مكثف.

طرق تنظيم الجهد
بواسطة صمام ثنائي زينر

مقالة مفصلة: ثنائي أقطاب زنر
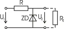
بواسطة صمام ثنائي زينر مستقطب في المنحى المعاكس ومقاومة كهربائية، يركبان على التوالي، ويوضع الحمل بالتوازي مع زينر، (أنظر الصورة جانبه). يتميز الصمام الثنائي زينر بجهد زينر وبالقدرة القصوية التي يستطيع تحملها، وتحتسب قيمة المقاومة حسب قيمة التوتر بين طرفيها والتيار القصوي المطلوب وذلك بتطبيق قانون أوم.[1]
بواسطة منظم الجهد الخطي
مقالة مفصلة: منظم الجهد الخطي
منظم الجهد أو مثبت الجهد الكهربائي، عبارة عن دارة متكاملة وظيفتها إخراج جهد كهربائي ثابت نسبيا الغرض منه حماية الأجهزة الأخرى الموصولة إليه وتزويدها بتيار كهربائي مستقر. ومن أشهر المنظمات، سلسلة 78xx التي تنظم جهد موجب (مثلا القطعة 7805 تتبث الجهد على 5 فولت، 7812 يتبث الجهد على القيمة 12 فولت)، وسلسلة 79xx التي تنظم الجهد سالب (مثلا القطعة 7915 عبارة عن منظم جهد 15v- إلخ)، توجد عدة أصناف مثل 78L أو 78S حيث يمكن لبعضها أن يعطي تيار خرج يصل إلى 2 أمبير.[1][2]
المراجع
- Alley, Charles; Atwood, Kenneth (1973). Electronic Engineering. New York and London: John Wiley & Sons. ISBN 0-471-02450-3.
- , داتاشيت الـ L78XX يبين بعض القطع التي لها تيار خرج 2A نسخة محفوظة 13 يونيو 2015 على موقع واي باك مشين.
- بوابة كهرباء
- بوابة إلكترونيات
- بوابة تقانة