مويجة
تشير عبارة مويجة أو تموج في علم الفيزياء عادة إلى نوع من الموجة الطفيفة والتي يمكن ملاحظتها فوق سطح ما أو تنتج عند ترشيحها من موجة أكثر شدة.
المويجة في الموائع

في علم الفيزياء المويجة هي موجة على سطح سائل لها طول موجي قصير للغاية لدرجة أن حركة السائل تحكم غالبا بقوة التوتر السطحي. ويجب أن يكون الطول الموجي للمويجة أقل من :
حيث:
- σ التوتر السطحي،
- ρ كثافة السائل.
- λc الطول الموجي
بالنسبة للماء, λc = 1.7 cm.
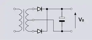
المويجة في الكهرباء


في الكهرباء، المويجة هي مكون التيار المتردد الناتج من التيار المستمر لمصدر طاقة ناتج ضمن مصدر الطاقة. وفي حالة عدم التحديد، تكون النسبة المئوية للمويجة هي النسبة بين قيمة جذر متوسط المربع لمويجة الفولطية إلى القيمة المطلقة لمجموع الفولطية.
يمكن استخدام العلاقة التالية لحساب ارتفاع المويجة من القعر إلى القمة في حالة مقوم الموجة الكاملة:
وهذه العلاقة في حالة مقوم نصف الموجة:
حيث
يمكن كذلك تقريب العلاقة التالية لحساب قيمة جذر متوسط المربع للمويجة على افتراض أنها أشبه بموجة سن المنشار:
حيث
- معامل التموج.
- مقاومة الحمل
في حال استخدام ملف بدلا من المكثفة للتنعيم فتصبح العلاقة التقريبية على الصورة:
حيث
- التردد الزاوي
- محاثة الملف