بوابة اختيار سالبة
بوابة الاختيار السالبة أو بوابة نور (بالإنجليزية: NOR gate) هي بوابة منطقية رقمية تطبق NOR منطقيا، وتتصرف وفقا لجدول الحقيقة المبين.[1]ارتفاع الخرج (1) ينتج إذا كان كل من المدخلات إلى البوابة منخفضا (0). إذا كان أحد أو كلا المدخلات عاليا (1) فإن الخرج يكون منخفضا(0). بوابة NOR هي نتيجة لـنفي المشغل أو. بوابة NOR هي مجموعة متكاملة وظيفيا من تواليف بوابات NOR والتي يمكن أن يمكن جمعها لتوليد أي وظيفة منطقية أخرى. وعلى النقيض من ذلك، فإن المشغل أو هو رتيب لدرجة أنه يمكنه فقط التغيير من المنخفض إلى المرتفع ولكن ليس العكس.
| الدخل A B |
الخرج A NOR B | |
| 0 | 0 | 1 |
| 0 | 1 | 0 |
| 1 | 0 | 0 |
| 1 | 1 | 0 |

وفي الغالب، ولكن ليس دائما، فإن تطبيقات الدوائر، والنفي يأتي من الدوائر الحرة بما في ذلك CMOS وTTL. وفي هذه العائلات المنطقية، يكون السبيل الوحيد لتنفيذ بوابة "أو" هو مع بوابتين أو أكثر البوابات، مثل بوابة NOR ويليها العاكس. وهناك استثناء هام وهو بعض أشكال عائلة منطق الدومينو.
الرموز
هناك ثلاثة رموز لبوابات NOR : الرمز الأمريكي (المعهد القومي الأمريكي للقياس ANSI أو 'العسكري') ورمز اللجنة الكهروتقنية الدولية IEC ( 'الأوروبي' أو 'المستطيلي') ورمز المعهد الألماني للتوحيد القياسي DIN. لمزيد من المعلومات انظر : باب رموز البوابات المنطقية..
![]() |
![]() |
![]() |
| رمز المعهد القومي الأمريكي للتنميط ANSI أو 'العسكري' | رمز اللجنة الإلكترونيكية الدولية IEC | رمز المعهد الألماني للتوحيد القياسي |
وصف تركيبها وتوصيلها
بوابات NOR هي بوابات منطقية أساسية، لذلك فهي موجودة في منطق ترانزستور-ترانزستور وعائلة دوائر السيموس والدوائر المتكاملة. البوابات القياسية مثل سلسلة 4000، وCMOS ICs هي 4001 التي تتضمن أربعة بوابات NOR مستقلة ولها اثنين من المدخلات. الرسم التوصيلي هو كما يلي :
![]() رسم توصيلي ل4001 بوابة NOR رباعية شكل DIL IC |
1 الدخل A1 2 الدخل B1 3 الخرج Q1 4 الخرج Q2 5 الدخل B2 6 الدخل A2 7 VSS 8 الدخل A3 9 الدخل B3 10 الخرج Q3 11 الخرج Q4 12 الدخل B4 13 الدخل A4 14 VDD |
التوافر
وتتوفر هذه الأجهزة لدى أكثر منتجي أشباه الموصلات مثل أشباه موصلات فيرتشايلد ، أو فيليبس أو تكساس انسترومنتس. وهي عادة ما تكون متاحة في كل من خلال الثقب حزمة خطية مزدوجة وشكل SOICوأوراق البيانات تكون متوفرة بسهولة في أغلب أوراق البيانات الخاصة بقواعد البيانات
والبوابات NOR القياسية والتي لها 2 - ، 3 - ، 4 - 8 دخل هي متاحة أيضا.
- CMOS
- 4001 : بوابة NOR رباعية 2 - دخل
- 4025 : بوابة NOR ثلاثية 3 - دخل
- 4002 : بوابة NOR ثنائية 4 - دخل
- 4078 : بوابة NOR فردية 8 - دخل
- TTL
- 7402 : بوابة NOR رباعية 2 - دخل
- 7427 : بوابة NOR ثلاثية 3 - دخل
- 7425 : بوابة NOR ثنائية 4 - دخل
- بوابة NOR الفردية 8 - دخل ليست متوفرة في TTL
تنفيذ الدائرة إلكترونيا
![]() |
![]() تخطيط المادي ل سيموس NOR |
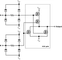
تظهر هذه المخططات الموجودة أعلاه : بناء بوابة NOR ذات دخلين باستخدام الدائرة NMOS. فإذا كان أي من المدخلات عاليا (1 منطقي)، فإن الـ NMOS المقابل يكون مشغلا والخرج المسحوب يكون منخفضا (0 منطقي)، وفي غير هذه الحالة يكون الخرج المسحوب عاليا من خلال مقاوم ساحب. ويظهر الرسم في الأسفل بوابة NOR ذات دخلين باستخدام تكنولوجيا ال CMOS. والصمامات الثنائية والمقاومات في المدخلات هي لحماية مكونات الـ CMOS من التلف نتيجة لتفريغ الشحنات الالكتروستاتيكية (ESD)، ولا تلعب أي دور في الوظيفة المنطقية للدائرة.

البدائل

إذا لم تكن أي من بوابات NOR المحددة متوفرة، فيمكننا استخدام بوابات NAND كما هو مبين بالأسفل. ومن المثير للاهتمام، أنه يمكن صنع أي بوابة منطقية من أي من : تواليف من بوابات NAND أو من تواليف من بوابات NOR.
مراجع
- "معلومات عن بوابة اختيار سالبة على موقع zthiztegia.elhuyar.eus". zthiztegia.elhuyar.eus. مؤرشف من الأصل في 14 ديسمبر 2019. الوسيط
|CitationClass=تم تجاهله (مساعدة)





