جهد انحياز
جهد انحياز في الإلكترونيات (بالإنجليزية : Bias voltage) هو جهد كهربائي مستقر يوصّل عادة بشبكة التحكم في صمام ثلاثي أو ببوابة ترانزستور من أجل ضبط عمل الترانزستور أو الصمام الثلاثي . إذا كان جهد الانحياز الموصول ببوابة الترانزستور سالبا وكبيرا فإن التيار داخل الترانزيسور ينقطع. أما إذا كان جهد الانحياز الموصل ببوابة الترانزستور موجبة أصبحت القناة داخل الترانزستور مفتوحة ويمر التيار فيها من المصب إلى المصدر (قارن مقحل).

يستخدم جهد الانحياز في دائرة كهربية بغرض التحكم في عمل ترانزستور . إذا اختير جهدا مناسبا كجهد انحياز وحمّلناه بموجة متذبذبة (جهد كهربائي متذبذب، أو إشارات ) فإن التيار المار بين المصب والمصدر في الترانزستور يتغير بنفس الذبذبة . ويتسبب تذبذب التيار في دائرة المصب (المخرج) في تذبذب جهد المصب بنفس الطريقة، ولكنها تكون مضخمة . فإذا أوصلناها بمكبر صوت مثلا فإننا نسمع نفس ذبذبة الإشارة الموصولة ببوابة الترانزيستور .
تطبيقه
- يستخدم جهد الانحياز لضبط نقطة تشغيل مضخم إلكتروني . ويكون جهد الانحياز إما على شكل تيار مستمر أو جهد مستمر، يحمّل بالإشارات أو بجهد متردد صغير ( يشكل تطابقها جهد البوابة أو جهد المدخل) . يتغير جهد المخرج بنفس تغير جهد المدخل ولكنه يكون مكبرا . أي إذا كان مطال ذبذبات المدخل 1و0 فولط خرج مطال ذبذبات المصب 2 فولط، فتكون الإشارة قد تضخمت نحو 20 مرة ويمكن سماعها بتوصيل المخرج بمكبر صوت.
- تستخدم بعض المضخمات الإلكترونية جهد انحياز لمعادلة تيارات مشوشرة (طبيعية) عالقة في دائرة بوابة الترانزستور Offset voltage .
- في أجهزة تسجيل الصوت وأجهزة الكاسيت يستخدم جهد الانحياز بغرض مغنطة الشريط مسبقا، يمكن بعدها أضافة إشارات إليها (بين 60 - 200 كيلو هرتز) أثناء تسجيل الصوت .
للترانزستور ولصمام ثلاثي
ضبط جهد الانحياز لعنصر إلكتروني (ترانزسنتور أو صمام ثلاثي) هي طريقة لضبط عمل العنصر في دائرة كهربائية . في كثير من الدارات الإلكترونية التي تعالج الإشارات تحتاج إلى تيار مستمر أو جهد ثابت لكي تعمل وفقا للمطلوب. يوصل بهذا الجهد الثابت (جهد الانحياز) الإشارات الإلكترونية المتذبذبة وتتراكب عليه . يختار جهد الانحياز للترانزستور أو الصمام الثلاثي في دائرة مضخم إلكتروني مثلا بحيث تخرج الإشارات من المخرج مضخمة وبنفس الشكل من دون تشويه . واختيار جهد الانحياز (وهو يطبق على "البوابة" في الترانزستور أو على "الشبكة" في الصمام الثلاثي) يعتمد على الخصائص الإلكترونية للترانزستور أو الصمام والتي يعطيها المصنع للمستخدم في هيئة أشكال بيانية لخصاص العنصر. تسمى "نقطة الانحياز" أيضا نقطة التشغيل . يتم ضبط نقطة التشغيل قبل توصيل الإشارات المطلوب تضخيمها أو معالجتها .

الشكل 1:
إلى اليسار تعطي مواصفات الترانزستور في شكل بياني يعطيها المصنع للمستهلك لاختيار نقطة التشغيل المناسبة للدائرة التي يرغبها . الرسم البياني إلى اليمين يوضح تغير التيار بين المصب والمصدر (الرأسي) بتغير جهد المصب (المحور الأفقي) وذلك عند قيم مختلفة لجهد الانحياز (جهد البوابة) [ المثال هنا يصف مقحل حقلي موصول JFET].
هذه المواصفات للترانزستور لا تختلف عن المواصفات لصمام ثلاثي . في الصمام الثلاثي تقوم "الشبكة" بعمل "البوابة" في الترانزستور. وأهم الفروق بينهما هو أن الصمام الثلاثي يعمل بجهد للمصعد قدره 200 فولط أما جهد "المصب " في الترنزستور فيعمل بجهد 12 - 30 فولط، لذلك فإن الترانزستور أقل حجما وأقل استهلاكا للطاقة الكهربية.
نقوم باختيار نقطة الانحياز على اساس تلك البيانات عن خصائص الترانزستور. و تسمى " نقطة الانحياز" أيضا "نقطة التشغيل".
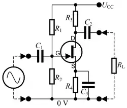
اختيار نقطة الانحياز لمقحل حقلي موصول

في هذه الدائرة الإلكترونية التي تستخدم لتكبير إشارات متذبذبة ندخلها عند C1 ، نجد جهد انحياز على "البوابة" G للترانزستور JFET. يحدد هذا الجهد عن طريق مجزيء الجهد R1-R2 :
حيث هو فرق الجهد بين البوابة والأرضية ، (الأرضية هنا هي التوصيلة السفلى V 0 ، واستخدمنا للأرضية الرمز M اختصارا لكلمة Mass ).
يبلغ الجهد عند المصدر = Id.R4
وهو يكون أعلى من جهد البوابة حيث أن جهدها Vgs لا بد وأن يكون سالبا .
ويبلغ جهد المصب =
حيث Id هو التيار المار بين المصب والمصدر .
ويمكننا الآن اختيار بيانات الدائرة :
فلنختار مثلا نقطة تشغيل الترانزستور المبينة اعلاه في الشكل 2 حيث Id = 2mA و Vgs = -2,5V.
أي أن جهد انحياز البوابة -5و2 فولط.
ونريد تثبيت الجهد عند Vgm = 1V.
فإدا كان الجهد الموجب للمصدر الخارجي الموصول بالمصب Ucc = 12 V, فيمكن اختيار على سبيل المثال المقاومتان R2 = 10kΩ و R1 = 110kΩ.
ونظرا لأن Vgs لا بد وان تساوي -2,5V, فلا بد أيضا من ان تكون Vs = 1+2,5 =3,5V.
كما أننا اخترنا 2mA = Id (وهو يساوي أيضا Is) , إذن فتبلغ المقاومة R4 = 3,5/2.10−3 وهذا يساوي 1,75kΩ .
بهذا نكون قد حددنا المقاومات R1 و R2 و R4 ، وباقي اختيار المقاومة R3 التي تحدد جهد المخرج عند D .
يختار جهد المصب عند D بصفة عامة في الوسط بين جهد المصدر والجهد الخارجي Ucc, بحيث يسمح بتغير جهد المصب حتى أقصي جهد من جهة، ومن جهة أخرى لضبط جهد المخرج في حالة الاستقرار، عند ادخال إشارة متذبذبة من ناحية G ونريد تضخيمها وتخرج من C2.
وليكن اختيارنا أن نثبت Vdm عند 8 فولط (جهد المخرج عند C2). ونصل إلى ذلك باختيار المقاومة R3 = 2kΩ.
ميكروفون
تحتوي الدائرة الكهربائية لميكروفون عادة على مقحل حقلي توصيلي لكي تحول النبضات الكهربائية الصغيرة المتولدة في الميكروفون إلى ذبذبات كهربية كبيرة لتشغيل إلكترونيات اخرى على بعد عدة أمتار من الميكروفون . يبلغ تيار التشتغيل لمقحل JFET في العادة بين 1و0 إلى 5و0 مللي أمبير ويرمز إليه بأنه جهد الانحياز.[1] ويوصل جهد الانحياز بالميكروفون عن طريق سلك .[2]
مراجع
- "Shure - Phantom Power and Bias Voltage: Is There A Difference?". مؤرشف من الأصل في 13 أبريل 2010. الوسيط
|CitationClass=تم تجاهله (مساعدة) - IEC Standard 61938
وصلات خارجية
- Bias - from Sci-Tech Encyclopedia
اقرأ أيضا
- مقحل
- مقحل حقلي موصول
- وصلة بي إن
- صمام تضخيم ضوئي
- ترانسيستور
- صمام إلكتروني
- نسبة الإشارة إلى الضجيج
- مضخم (إلكترونيات)
- موسفت
- كسب كهربائي
- بوابة كهرباء
- بوابة إلكترونيات