مضخم إلكتروني
المضخم الإلكتروني هو دائرة الكترونية تقوم بتكبير مطال الإشارات أو توتر إشارة المدخل، فنحصل عند مخرج المضخم إشارة شبيهة بالإشارة الداخلة، ولكن بأضعاف قيمتها.[1]


يتكون المضخم الإلكتروني من عدة أجزاء من ضمنها ترانسيستور واحد على الأقل أو صمام إلكتروني يقوم بمعالجة إشارة تناظرية بحيث تتضخم في صفاتها وتخرج مكبرة . ومن صفات المخرج أنه يُعطي قدرة أعلى من القدرة الداخلة . ويكتسب فرق القدرتين من مصدر كهربي، مثل بطارية أو مصدر كهرباء كالمستخدم في البيوت . وتوجد مضخمات للتيار المستمر وبالتالي للجهد الثابت كما توجد مضخمات التيار المتردد وبالتالي الجهد المتردد .
من أهم خواص المضخم الإلكتروني ما يسمى "بخطيته" Linearity ، بمعنى أن يكون مقدار الإشارة الخارجة متناسبا مع مقدار الإشارة الداخلة تناسبا طرديا . أي تغير جهد المدخل إلى الضعف فيزيد جهد المخرج إلى الضعف . وحيود المضخم عن الخطية هو شيء لا رغبة لنا فيه لأنه يشوه الإشارات . من الممكن أن تراكب ترددات مختلفة فيه لا توجد في الإشارة الداخلة، وهذا غير مستحب، حيث يعمل ذلك على شوشرة الأصوات الصادرة من مكبر صوت الراديو مثلا .
ومن الممكن اختيار التضخيم بحيث لا يكون خطيا، فمثلا يمكن أنه نجعل التضخيم تضخيما "لوغاريتميا" ، ومذا ما تستخدمه السماعات ، وهذه خاصية أخرى له يمكن التحكم فيها .[2]
طريقة عمله
سنشرح طريقة عمل مضخم بالمثال الآتي لمضخم إشارات يعمل بمرحلة واحدة تتكون من ترانسيستور.
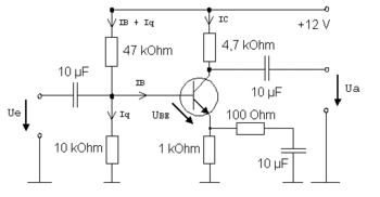
يتميز تضخيم الترانزيستور بتضخيم كبير عندما يكون في دائرة الباعث - ويكفي أن يكون تيار الجامع IC نحو 1 ميللي أمبير (عن طريق ضبط المقاومتين 7و4 كيلو أوم والمقاومة المتصلة بالأرض 1 كيلو أوم ). وعن طريق ربطة تيار يمكن التوصل إلى تثبيت نقطة التشغيل وجعلها لا تعتمد على درجة الحرارة (اختيار مقاومتي الدخول 47 كيلو أوم و 10 كيلو أوم المتصلة بالأرضي). فيكون انخفاض الجهد عبر المقاومة 1 كيلو أوم بين الباعث والأرضي ( وهي الرموز السفلى المرتبطة بالأرض، أي يبلغ جهدها 0 فولط ) بالغا نحو 1 فولط - ذلك لأن UBE يمكن أن يحيد بمقدار نحو 06و0 فولط ويعتمد ذلك على نوع الترانزيستور وخصائصه الحرارية .
وكما هو في الرسم يتعين جهد القاعدة بواسطة اختيار قيم مقاومتي موزع المقاومات (عند المدخل المقاومة الموصولة بالمصدر 47 كيلو أوم، والمقاومة الموصولة بالأرضي 10 كيلو أوم). فيكون "جهد القاعدة"
ويجب أن يختار التيار أسفل قاعدة الترانسيستور Iq أن يكون كبيرا بالمقارنة إلى تيار القاعدة IB الداخل. ويتحقق هذا الشرط باختيار ترانزيستور بخاصية IC/IB ≥ 100.
بالنسبة لمقاحل السيليكون تبلغ UBE = 0,6 V, ولهذا يقع على "مقاومة القاعدة" جهد قدره 5و1 فولط، ويمر فيها تيار قدره 5و1 مللي أمبير - يسمى هذا التيار تيار الجامع. الجهد المتردد الداخل المراد تضخيمه يدخل القاعدة عن طريق مكثف له ممانعة صغيرة، ويخرج مكبرا المطال عند الجامع - أيضا عن طريق مكثف ذو ممانعة صغيرة (10 ميكرو فاراد) .
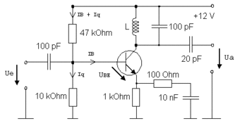
الدائرة في شكل 1 تكبر جميع الترددات بين 150 هيرتز و 20 ميجا هيرتز. وبمقارة الشكل 1 والشكل 2 يتبين أن مقاومة الجامع تحدد ذلك :
- في الشكل 1 التضخيم على تردد الجهد الداخل، ويجب أختيار عناصر المضخم بحيث يكون جهد الجامع متوسطا (هنا نحو 5 فولط ) بحيث يتساوى مطالي الموجة الخارجة (فوق وتحت) (ملحوظة : عدم تناظر مطال الجهد المتردد الخارج تؤدي إلى اختلال في الآداء.) ، ويتحدد نطاق التردد المرغوب عن طريق مكثفي الدخول والخروج .
- في الشكل 2 استبدلت المقاومة الموصولة بالجامع بملف L ومكثف 100 بيكرو فاراد (دائرة رنين) . في نفس الوقت اختير مكثف الدخول بسعة 100 بيكروفاراد . ويؤخذ الجهد المضخم من مكثف خروج سعته 20 بيكروفاراد . يؤدي ذلك إلى تكبير في حيز ضيق حول تردد الرنين ω0 . نجد هنا أن الدائرة الرنينية الموصولة على التوازي ذات مقاومة عالية، وينتج منها تضخيم كاف .
عندما يكون التردد الداخل منخفضا يعمل الملف على تأريض التيار، وإذا كان تردد الجهد الداخل عاليا يعمل المكثف على تأريض التيار . ويعتمد التضخيم و حيز التردد على كفاءة دائرة الرنين .


كلا المضخمان له "مقاومة باعث" مقدارها 1 كيلو أوم، وهي تعمل على تثبيت نقطة التشغيل ولا تدعها تتغير فيستقر عمل الترانزيستور. وبافتراض في حالة تيار مستمر انخفاض UBE بسبب درجة الحرارة بمقدار 40 مللي فولط، فيرتفع بناء على ذلك الجهد عند "مقاومة الباعث " بمقدار 5و1 فولط مما يقلل من التكبير المرغوب "لتيار الجامع " . فمن دون هذا الربط الارتجاعي ([ارتجاع سلبي]]) هذا لانزاحت نقطة التشغيل إلى نطاق التشبع مما يحدث شوشرة كبيرة.
هذا الربط المعكوس (ارتجاع سلبي) للتيار المستمر يخفض أيضا تضخيم جهد متردد: للدائرة شكل 1 يكون التضخيم 7و4 فقط، وهو النسبة بين "مقاومة الجامع" إلى "مقاومة الباعث" . ويمكن تلافي ذلك عن طريق وصلة على التوالي مكونة من 100 أوم و 10 ميكرو فاراد و توصل معها على التوازي . يحدد المكثف الحد الأدنى للتردد . وعندما تكون مقاومة المكثف صغيرة ( بالنسبة للشكل 1 عند ترددات في حيز الكيلوهيرتز مثلا) فيمكن حساب معامل التضخيم من نسبة "مقاومة الجامع " إلى "مقاومة الباعث" الفعالة للجهد المتردد ( توصيل 1 كيلو أوم مع 100 أوم على التوازي، أنظر الشكل 2) فيرتفع إلى 4700/91 = 52.
وعندما نستغني عن المقاومة 100 أوم ونربط المكثف 10 ميكروفاراد من الباعث بالأرض مباشرة فلا يزيد التضخيم بلا حدود، وإنما يرتفع غلى نحو 200 ، وهذا بسبب تأثيرات داخلية في الترانزيستور . ولكن يزدادعندئذ التشويش حيث أن المقحل لا يعمل في تلك الحالة بصفته" الخطية " Linearity.
تصنيف ب


تصنيف ب للمضخم Class-B amplifiers يضخم نصف دورة الموجة الداخلة فقط، وتسبب بذلك في شوشرة، ولكن كفاءتها عالية . ويستخدم تصنيف ب في الأجهزة التي تعمل ببطارية مثل راديو ترانزيستور . ويتميز هذا النوع من مضخمات الإشارات بأن لها أعلى كفاءة تكفلها الحسابات النظرية حيث تبلغ كفاءتها π/4 (أي 78.5%) . ذلك لأن الترانزيستور لا يعمل خلال كل نصف دورة موجية . ولكن من النادر أن يعمل عنصر ترانزستور واحد في جهاز، على الرغم من استخدامه احيانا لتشغيل مكبر صوت كما كان يستخدم في أوائل أيام الحاسوب الشخصي أي بي إم لانتاج أصوات التبيه، كما يمكن أن يستخدم في مضخمات RF power amplifier حيث أن الخلل الذي يحدثه ليس ذو شأن كبير . قد تستخدم تصنيف سي لهذا الغرض .
نظرا للكفاءة العالية لتصنيف ب للمضخم الإلكتروني فيمكن العمل بإثنين منهما بحيث يختص كل عنصر منهما بتكبير نصف دورة، ثم يتجمع النصفان المكبران عند المخرج وتكتمل الدورة . هذا هو عمل دائرة تسمى مرحلة تبادل push–pull stage ، التي لها استخدامات كثيرة . نرى في الشكل المجاور نموذج لمضخم تناولي يعمل بمقحلين ويتميز بكفاءة عالية .
اقرأ أيضا
مراجع
- Patronis, Gene (1987). "Amplifiers". In Glen Ballou (المحرر). Handbook for Sound Engineers: The New Audio Cyclopedia. Howard W. Sams & Co. صفحة 493. ISBN 0-672-21983-2. الوسيط
|CitationClass=تم تجاهله (مساعدة) - Harper, Douglas (2001). "Amplify". Online Etymology Dictionary. Etymonline.com. مؤرشف من الأصل في 05 سبتمبر 2017. اطلع عليه بتاريخ 10 يوليو 2015. الوسيط
|CitationClass=تم تجاهله (مساعدة); تحقق من التاريخ في:|تاريخ أرشيف=(مساعدة)
- بوابة كهرباء
- بوابة إلكترونيات
- بوابة تقانة