دارة إلكترونية
الدائرة الإلكترونية هي مسار مغلق من المكونات الإلكترونية الموصولة فيما بينها ويمكن للتيار الكهربائي المرور عبرها وهي المكون الأساسي لكل الأجهزة الإلكترونية.[1][2][3]


تعد الدارات الإلكترونية electronic circuits أساس النظم الإلكترونية التي تستخدم في مجالات هندسية شتى مثل التحكم والقياس ومعالجة الإشارة. ويعد الثنائي ذو الوصلة والترانزيستور الوسيلتين الفعالتين الأساسيتين في تركيب أي دارة إلكترونية.
تتكون الدائرة الإلكترونية بشكل أساسي من مقاومة(resistor) ومكثف (capacitor) وترانزستور (transistor) والكثير من المكونات الأخرى التي تجتمع لتكون الدائرة الإلكترونية.
يتم تدريس علم الإلكترونيات في العديد من الجامعات في مختلف أنحاء العالم، وهو علم يعنى بتفاعل عناصر الدائرة الإلكترونية مع بعضها البعض.
تتدرج الدوائر الإلكترونية من دائرة بسيطة تمثل مصدر فرق جهد ومقاومة مثل (بطاريه وضوء صغير) إلى دوائر معقدة تحتاج إلى عدة مهندسين وساعات من العمل لتحليلها مثل اللوحة الرئيسية للكميوتر.
يعتمد تحليل الدوائر الإلكترونية على قانون رئيسي هو:
- V=I.R
- أو فرق V الجهد يساوي المقاومة (R) في التيار(I).
ثنائي الوصلة - الديود PN junction-diode
في بداية اكتشاف أنصاف النواقل semiconductors مثل مادتي الجرمانيوم والسيليكون، وقبل الاكتشاف المخبري للترانزيستورات، كانت هناك العديد من المشاكل التي يجب التغلب عليها لصناعة هذه الثنائيات. استطاع المهندسون في منتصف الخمسينات حل معظم النقاط الحرجة لهذه المشكلات، والدخول بشكل فعال في تكنولوجيا الأجسام الصلبة solid-state.
يتشكل الثنائي من منطقتين متجاورتين من النوع p,n . تكون المنطقة n مليئة بالشحنات السالبة (إلكترونات electrons)، والمنطقة p مليئة بالشحنات الموجبة (ثقوب holes)، يفصل بين المنطقتين منطقة خالية من الشحنات تدعى بالمنطقة المحرمة أو الخالية deplation region، كما في الشكل(1).
بتطبيق انحياز(جهد مستمر) ، أي وصل النهاية الموجبة للمنبع المستمر إلى الطرف p للثنائي، والنهاية السالبة للمنبع إلى الطرف n يمكن للتيار أن يمر داخل الثنائي. من جهة أخرى فإن تطبيق انحياز عكسي ، أي وصل النهاية الموجبة للمنبع إلى الطرف n للثنائي والنهاية السالبة إلى الطرف p يمنع التيار من المرور عبر الثنائي.
لذا يستخدم الثنائي PN في تطبيقات عدة من أكثرها شيوعاً تقويم التيار المتناوب، أي السماح للتيار بالمرور باتجاه ومنعه من المرور بالاتجاه المعاكس.
الترانزيستورات transistors
هناك نوعان رئيسان منه هما: الترانزيستور ثنائي القطبية ذو الوصلة bipolar junction transistor (BJT)، والتــرانزيستور ذو التأثير الحقلي field effect transistor (FET).
تصنف مجالات عمل هذه الترانزيستورات وفق أنماط ثلاثة:
1- مضخم amplifier.
2- قاطع إلكتروني electronic switch.
3- مقاومة محكومة controlled resistance.
وفيما يأتي شرح موجز لنشوء هذه الأنماط وتركيبها ومجال عملها في الأنظمة الإلكترونية.
أ ـ الترانزيستور ثنائي القطبية ذو الوصلة BJT: تم اكتشاف النموذج البدائي لهذا الترانزيستور في الخمسينيات، إلا أن التطوير النهائي والمعروف في الوقت الحاضر تحقق في عام 1956 على أيدي الباحثين بأردن Barden وبراتن Brattain وشوكلي Shockley الذين حازوا جائزة نوبل في الفيزياء نتيجة لابتكارهم وتطويرهم لهذه الوسيلة الإلكترونية.
يتشكل الترانزيستور BJT من بلورة من السيليكون silicon (أو الجرمانيوم). تستخدم طريقة تقنية في شروط حرارية مناسبة لوضع طبقة من السيليكون نوع n بين طبقتين من السيليكون نوع p، ليحصل بذلك على ترانزيستور من النوع pnp، أو وضع طبقة من النوع p بين طبقتين من النوع n، فنحصل على ترانزيستور نوع npn.
يبين الشكل 4-أ البنية الأساسية لأحد أنواع الترانزيستورات ذات البنية المتكاملة، بينما يبين الشكلان 4 - ب، جـ شكلًا مبسطاً لكلا النوعين npn,pnp. ويظهر في الشكلين 5 - أ، ب الرمزان الكهربائيان لهذين النوعين من الترانزيستورات.
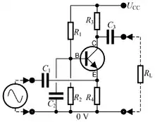
تدعى أطراف الترانزيستور الثلاثة: الباعث emitter، والقاعدة base، والمجمّع collector. يستخدم في الرمز الكهربائي للترانزيستور سهم على طرف الباعث يدل على اتجاه مرور التيار المستمر. ويكون اتجاه السهم إلى داخل الترانزيستور في النوع pnp، وخارجاً منه في النوع npn. وتكون كثافة حوامل الشحنات في منطقة الباعث مرتفعة، بينما تكون سماكة منطقة القاعدة رقيقة، ويكون سطح منطقة المجمع عريضاً ليكون استقباله للشحنات المنطلقة من منطقة الباعث أكثر فاعلية.
لكي يعمل الترانزيستور BJT عمل مضخم يجب تطبيق جهد انحياز أمامي مستمر على وصلة الباعث - القاعدة، وانحياز عكسي على وصلة المجمع - القاعدة، عند ذاك تسبب التغيرات البسيطة في تيار القاعدة (دخل الترانزيستور) مرور تيار أعلى في مجمع الترانزيستور (دارة الخرج). وينشأ كبر التيار في الخرج نتيجة التفاوت الكبير في تركيز الشحنات الأساسية في طبقتي الباعث والقاعدة. وعلى هذا الأساس يحصل تكبير التيار في هذا النوع من الترانزيستورات وبالتالي تكبير الجهد وتكبير الاستطاعة.
ولكي يعمل الترانزيستور قاطعاً إلكترونياً (في الدارات الرقمية والتمثيلية) تكون وصلة المجمع - القاعدة بحالة انحياز عكسي، وتترك القاعدة حرة ليطبق عليها واحد من مستويي جهد V، أي انحياز عكسي لوصلة الباعث - القاعدة، ويكون عندها الترانزيستور بحالة قطع cut-off، أو تطبيق جهد قاعدة أمامي عالٍ high level كاف لنقل الترانزيستور إلى حالة الإشباع saturation أي حالة الوصل on state.
ولكي يعمل الترانزيستور عمل مقاومة محكومة، يمرر تيار قاعدة معين ضمن المنطقة الفعالة لخواص الترانزيستور للحصول على تيار مجمّع معين، أي مقاومة معينة بين طرفي المجمع والباعث. إن استخدام الترانزيستور في هذا النمط الثالث من العمل قليل نسبياً، ويفضل عليه الترانزيستور ذو التأثير الحقلي.
ب - الترانزيستور ذو التأثير الحقلي FET: قام عدد من الباحثين قبل اكتشاف هذا الترانزيستور، بدراسة التأثير الحقلي، بمعنى تغير ناقلية جسم صلب نتيجة تطبيق حقل كهربائي عبره.
في الواقع كان يجري العمل على ابتكار هذا الترانزيستور في الوقت نفسه الذي تم فيه تطوير الترانزيستور BJT تقريباً. كان النموذج الأول لهذا الترانزيستور هو الترانزيستور ذو التأثير الحقلي ذو الوصلة JFET والذي تم اقتراحه من قبل الباحث شوكلي Shockly عام 1951. تم بعد ذلك تطوير نوع آخر من هذه الترانزيستورات أكثر استقراراً وأفضل في تطبيقات الدارات الرقمية، وهو الترانزيستور MOSFET الذي أعلن عنه في بداية عام 1960 في مختبرات Bell من قبل الباحثين كانغ Kahng وعطا الله Atalla. تم بعد ذلك تطوير هذه الترانزيستورات وتحسين خواصها حتى وصلت إلى ما هي عليه في الوقت الحاضر.
يختلف الترانزيستور FET عن الترانزيستور BJT في بعض الخصائص المهمة الآتية:
ـ يعتمد الترانزيستور FET على تدفق حوامل شحنات ذات قطبية واحدة (موجبة أو سالبة) لذلك يدعى بالوسيلة أحادية القطبية unipolar device، بينما يعد الترانزيستور BJT وسيلة ثنائية القطبية bipolar device لأنه يعتمد على تدفق حوامل شحنات موجبة وسالبة معاً.
ـ يشغل الترانزيستور FET فراغاً أقل داخل الدارة المتكاملة IC. وبالتالي فإن كثافة التعبئة packaging density له عالية جداً، وهو ما يجعله مفضلاً في صناعة ما يسمى الدارات الإلكترونية الصغرية microelectronic.
ـ يعد عمل هذا الترانزيستور كمقاومة محكومة بالجهد VCR ميزة كبيرة، الأمر الذي يجعل نظام الدارة المتكاملة الرقمي مشتملاً على وسائل MOS من دون أي عناصر أخرى كالمقاومات مثلاً.
ـ يمكن لهذا الترانزيستور أن يعمل كقاطع ثنائي الجانب متناظر، وهي ميزة غير موجودة في الترانزيستور ثنائي القطبية.
ـ مقاومة دخله عالية جداً مما يجعله قادراً على تخزين شحنات (معلومات) لفترة طويلة نسبياً إضافة إلى أن مكثفة دخله صغيرة. أي إن الثابت الزمني لدارة دخله عالية.
ـ تعد هذه الوسيلة ذات ضجيج أقل من الـ BJT.
ـ لا يسبب أي انزياح في الجهد offset عند عدم مرور تيار فيه مما يجعله وسيلة جيدة في تطبيقات تقطيع الإشارة chopping.
للترانزيستور FET سيئة رئيسة هي صغر جداء الكسب بعرض المجال مقارنة مع الـBJT مما يقلل من أهميته في تكبير الإشارات ذات التردد العالي.
يتشكل الترانزيستور JEFT من قضيب من السيليكون نوع n (النوع ذي القنال n)، يسمى أحد طرفيه المنبع S والثاني المصرف D تتشكل على جانبي القضيب السيليكوني منطقتان من النوع p موصولتان معاً بطرف واحد يدعى البوابة G. يمكن تشكيل ترانزيستور ذي قنال p بعكس أنواع المواد السابقة n,p بأسلوب مماثل.
تطبق على كلا النوعين وحدة تغذية مستمرة بين المصرف والمنبع فيمر تيار وحيد الحوامل ضمن ما يسمى بالقنال (المحصورة بين طرفي البوابة). ويطبق انحياز عكسي على البوابة. عند تطبيق إشارة على دخل الترانزيستور ( البوابة) يتشكل حقل كهربائي يؤثر في عرض القنال زيادة أو نقصاناً ليسمح بمرور تيار أعلى أو أقل، ويُحصل بالتالي على إشارة مكبرة في الخرج. إن تأثير الحقل الكهربائي على مرور التيار في القنال هو السبب في تسمية هذه الوسيلة بالترانزيستور ذي التأثير الحقلي.
من جهة أخرى، يتشكل الترانزيستور MOSFET الرئيسي (نوع enhancement إغناء) أساساً من السيليكون نوع p (NMOSFET). يتم إدخال منطقتين في طرفيه من النوع n تشكلان المصرف والمنبع. يوضع فوق هاتين الطبقتين مادة شديدة العازلية من ثاني أكسيد السيليكون (SiO2) يعلوها طبقة معدنية تشكل البوابة. إن الفرق الرئيسي لهذا النوع عن الترانزيستور JFET هو أن مقاومة دخل الأول أعلى بكثير.
إن معظم تطبيقات الترانزيستورات JFET تكون في نمط التكبير ونمط المقاومة المحكومة بالجهد، بينما تكون معظم تطبيقات الترانزيستورات MOSFET في نمط القطع switching وهي تشكل معظم أنواع الدارات المتكاملة الرقمية الموجودة في السوق التجارية.
انظر أيضاً
مراجع
- "معلومات عن دارة إلكترونية على موقع getty.edu". getty.edu. مؤرشف من الأصل في 27 أكتوبر 2020. الوسيط
|CitationClass=تم تجاهله (مساعدة) - "معلومات عن دارة إلكترونية على موقع thes.bncf.firenze.sbn.it". thes.bncf.firenze.sbn.it. مؤرشف من الأصل في 27 أكتوبر 2020. الوسيط
|CitationClass=تم تجاهله (مساعدة) - "معلومات عن دارة إلكترونية على موقع jstor.org". jstor.org. مؤرشف من الأصل في 19 أغسطس 2020. الوسيط
|CitationClass=تم تجاهله (مساعدة)