سجل الإزاحة
ســِـجــِـل ّ الإزاحة (بالإنجليزية: shift register) هو نوع من دارة إلكترونية التي تستطيع أن تقابل وتذكر وتطلق معلومة رقمية معيـّـنة لفترة محدودة، وذلك وتوقيت مـُـسـَـلــِّـمـَـة المعلومة لتلك الدّارة تكون متحكـّــَـمـة عن طريق كـُـشــُـحات إشارة منبـّـه (controlled via clock signal flanks).[1][2][3]
ســِـجــِـلاّت الإزاحة ذو اِتــّـجاه واحد
من الميزات المفيدة التي يمكن إضافتها للسـّـِـجــِـل ّ : القدرة على الإزاحة، أي أن ّ معلومة تـُـزاح من موضع إلى آخر.
في العموم ســِـجــِـلاّت الإزاحة تـُـركـّـب من قلاّبات: قلاّبات من نوع دي (D flipflop) وآر إس (RS flipflop) وجي كاي (JK flipflop) متحكـّــَـمـة عن طريق كـُـشــُـحات إشارة منبـّـه تنفع بخاصـّـة لعملية التركيب. ســِـجــِـلاّت إزاحة رفيعة الجودة تـُـركب في الكثير من الأحيان من قلاّبات جي كاي سيـّـد وتابع (JK master slave flipflop).
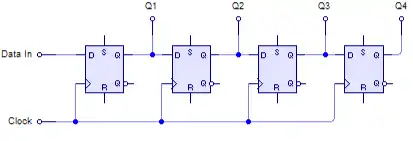
يبين الرسمة الأولى ســِـجــِـل ّ إزاحة أربع بتــّـات (four bits) مكون من قلابات من نوع دي.
تشكل القلاّبات المكونة للسـّـِـجــِـل ّ نظاماً متوافقاً لأنها مقادة من نفس المنبـّـه، كما إن طريقة توصيل كل قلا ّب بالقلاّب الذي يسبقه تسبب نقل وضعية القلا ّب السابق إلى القلاّب اللاحق عند كل تغيير قادح مستوى المنبـّـه.

تعتمد وضعية أول قلاب في السـّـِـجــِـل ّ على المستوى المنطقي المطبق على المدخل من المصدر الخارجي على اليسار عند ورود الجبهة القادحة للمنبـّـه أي إحدى كـُـشــُـحات الإشارة كما يتم فقدان البت (bit) المخزّن في القلاّب الأخير على اليمين (تتم إزاحته خارج السـّـِـجــِـل ّ)عند كل عملية إزاحة. وبما أننا نقوم بالقراءة أو الكتابة في ســِـجــِـل ّ الإزاحة عند كل دور للمنبـّـه يتم تركيب ســِـجــِـل ّ الإزاحة من القلابات دون المغاليق.

ســِـجــِـلاّت الإزاحة ذات الاتجاهين
يسمح السـّـِـجــِـلاّت المبيـّـنة في الرسمتين الفوقيتين بالإزاحة باتجاه واحد فقط.
و لكن هناك حالات تتطلب إزاحة السـّـِـجــِـل ّ بالاتجاهين، لتحقيق ذلك يتم تعديل دارة السـّـِـجــِـل ّ أحادي الاتجاه بحيث يمكن عكس ترتيب الوصلات ما بين القلاّبات وبالتالي اختيار اتجاه الإزاحة. يسمى السـّـِـجــِـل ّ المزود بالبوابات اللازمة لعكس وصلات قلاّباته استجابة لأمر التحكم باتجاه الإزاحة يمين يسار (Shift-right shift-left Register).

إن البت المزاح خارج السـّـِـجــِـل ّ يضيع وان القلاّب الأول في السـّـِـجــِـل ّ يتم تزويده بالبت من مصدر خارجي. فإذا وصلنا مخرج السـّـِـجــِـل ّ بمدخله ضياع البت ولا تعود هناك حاجة إلى مصدر خارجي. يطلق على عمل السـّـِـجــِـل ّ في هذه الوضعية بالدوران.
و تبرز الرسمة الجانبية ســِـجــِـل ّ دوران بعرض ثلاث بتــّـات، ولكن بـاِتــّـجاه واحد فقط في مثل خاصّ.
استخدامات ســِـجــِـلاّت الإزاحة
تتوفر البيانات الرقمية إما بشكل تسلسلي أو متواز.
ففي الحالة الأولى يتم نقل كل بت من الكلمة بواسطة سلك منفرد واحدا بعد الأخر، إما في الحالة الثانية فتتوفر جميع البتــّـات للكلمة في وقت واحد ويستخدم عدد من الأسلاك مساو لعدد البتــّـات.
من الواضح إذا ً أن الطريقة التسلسلية توفر من الدارات المستخدمة بينما توفر الطريقة المتوازية الوقت.
في كثير من الأحيان هناك حاجة لتبديل شكل البيانات من تسلسلي إلى متوازي أو بالعكس في مثل هذه الحالة تعتبر ســِـجــِـلاّت الإزاحة الدارات المنشودة.
فإذا افترضنا أن كلمة مؤلفة من 8 بتــّـات بحاجة إلى تبديل من الشكل التسلسلي إلى المتوازي نستخدم لذلك ســِـجــِـل ّ إزاحة 8 بتــّـات، ونطبق الكلمة التسلسلية على مدخل البيانات للســِـجــِـل ّ بتواقت مع المنبـّـه وبعد ثمانية ادوار يتم تقييد المنبـّـه وتكون الكلمة قد سجلت في السـّـِـجــِـل ّ وأصبحت 8 بتــّـات متوفرة بوقت واحد وبشكل متواز على مخارج السـّـِـجــِـل ّ الثمانية.
من اجل التحويل من متواز إلى تسلسلي نوقـّـف المنبـّـه وندخل بتــّـات الكلمة المتوفرة في وقت واحد إلى قلاّبات السـّـِـجــِـل ّ مباشرة وذلك باستخدام مداخل البيانات أو المداخل المباشرة للقلاّبات. بعد هذا نحرر المننبـّـه لنحصل من مخرج القلاّب الأخير مع المنبـّـه على بتــّـات الكلمة واحدا بعد الأخر.
لســِـجــِـل ّ الإزاحة استخدام آخر وهو تغيير معدل البيانات (عدد البتــّـات في واحدة الزمن).
فإذا افترضنا مثلا أن بيانات تسلسلية يتم توليدها من جهاز بطيء كقارئ الشريط المغناطيسي الميكانيكي ونريد تقديمها بشكل متواقت إلى نظام رقمي يعمل بمعدل سرعة منبـّـه أعلى بكثير من معدل سرعة توليد البتــّـات. نستخدم لذلك ســِـجــِـل ّ الإزاحة حيث نقوم بإدخال مجموعة من البيانات من الشريط إلى ســِـجــِـل ّ الإزاحة باستخدام معدل سرعة المنبـّـه مناسب لوحدة الشريط بعدها يتم وصل السـّـِـجــِـل ّ إلى النظام الرقمي السريع ويطبق المنبـّـه المناسب لسرعة النظام الرقمي وعند الانتهاء من انتقال البيانات يعود السـّـِـجــِـل ّ لأخذ مجموعة جديدة من البيانات وتتكرر نفس العملية السابقة.
انظر أيضًا
- سجل المعالج (processor register)
مصادر ومراجع
- "معلومات عن مسجل الإزاحة على موقع babelnet.org". babelnet.org. مؤرشف من الأصل في 13 ديسمبر 2019. الوسيط
|CitationClass=تم تجاهله (مساعدة) - "معلومات عن مسجل الإزاحة على موقع d-nb.info". d-nb.info. مؤرشف من الأصل في 13 ديسمبر 2019. الوسيط
|CitationClass=تم تجاهله (مساعدة) - "معلومات عن مسجل الإزاحة على موقع psh.techlib.cz". psh.techlib.cz. مؤرشف من الأصل في 13 ديسمبر 2019. الوسيط
|CitationClass=تم تجاهله (مساعدة)
- كتاب النظم المنطقية والدارات الرقمية للدكتور المهندس:فادي فوز
وصلات خارجية
- بوابة إلكترونيات
- بوابة تعمية
- بوابة تقنية المعلومات
- بوابة علم الحاسوب
- بوابة كهرباء